PLC Simulator Online
Learning Ladder Logic was never easier than now!
PLC simulator online answers the lack of simple and free Programmable Ladder Controller coding application. We are working on a tool you can use to improve and share your programming knowledge. Save yourself time and money.

Code
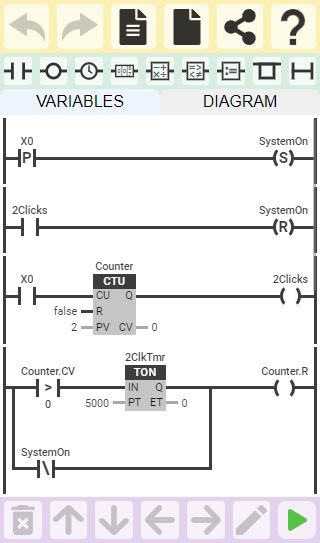
Start coding instantly with just your browser, using our user-friendly application available on both PC and mobile devices. We strive to provide the most straightforward PLC programming experience. Refer to our documentation for a deeper understanding of Ladder Logic.
Simulate
Gone are the days of needing a real PLC to test your code. With our simulator, you can bypass the need for physical controller. Once your ladder diagram is set, hit the Simulate button to execute your program. You can alter input states and monitor outputs seamlessly.
Share it!
At the heart of PLC Simulator lies the ability to share your diagrams. Simply save your code and get a shareable link. Put your ladder logic online for feedback or share your solutions as a teaching aid. Our platform fosters a collaborative learning environment for all.
Join users from 187 countries
Be part of a vibrant, worldwide network committed to mastering and innovating in the field of programmable logic controllers. Come, join the journey of knowledge exchange and skill enhancement with users from every corner of the world!
- 10k+
- registered users
- 40k+
- saved projects
- 500+
- users daily
Roadmap
Initiating our journey with PLC Simulator Online, we offer a functional yet evolving tool. We are committed to enhancing the simulator, guided by our roadmap and your invaluable suggestions. Join our Discord server to share your ideas and be part of this development journey.
Basic ladder elements
Implementation of the fundamental building blocks of Ladder Logic, introducing the use of basic elements such as contacts, coils, and branches to allow users to create basic PLC programs.
Version 1.0.0 release
Following the initial launch, the 1.0.0 version introduced significant enhancements including adding remaining Ladder Logic functions, saving and sharing diagram functionalities, and converting the platform to a Progressive Web Application for improved accessibility.
UI redesing, drag&drop for desktop
Introduced a user interface redesign to visually display input and output values on ladder blocks, improving clarity. Also added a drag-and-drop feature for a more interactive desktop experience.
Documentation website
A comprehensive documentation website to assist users. As an open-source project, we encourage contributions from the community. Visit our GitHub repository to join in our development efforts.
Simulation panel
You will be able to connect push buttons, switches, LEDs and more sophisticated virtual equipment with the simulator to see the results of your program.

